Merlo

Aanlashaken voor Massey Ferguson wordt per set geleverd tenzij er voor losse delen wordt gekozen.

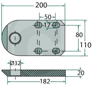
Afmetingen worden vermeld in de afbeelding.

Staat uw aanlashaken er niet tussen? Neem contact met ons op.

Filter
Van hoog naar laag sorteren

4 producten

per pagina
Tonen als Foto-tabel Lijst
Filter
Van hoog naar laag sorteren

4 producten

per pagina
Tonen als Foto-tabel Lijst